主题
BU-61865/61580使用手册
1 1553B总线协议
1.1 总线连接方式(拓扑结构)

1.2 编码形式

1.3 消息类型
1.3.1 BC模式消息格式


1.4 数据字类型

2 BU-61865数据手册
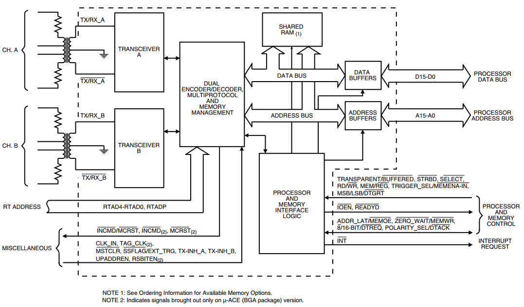
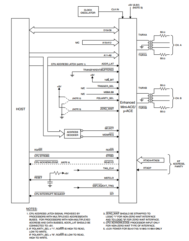
2.1 芯片原理框图和硬件设计


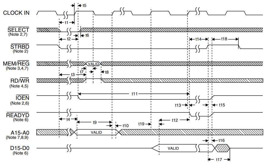
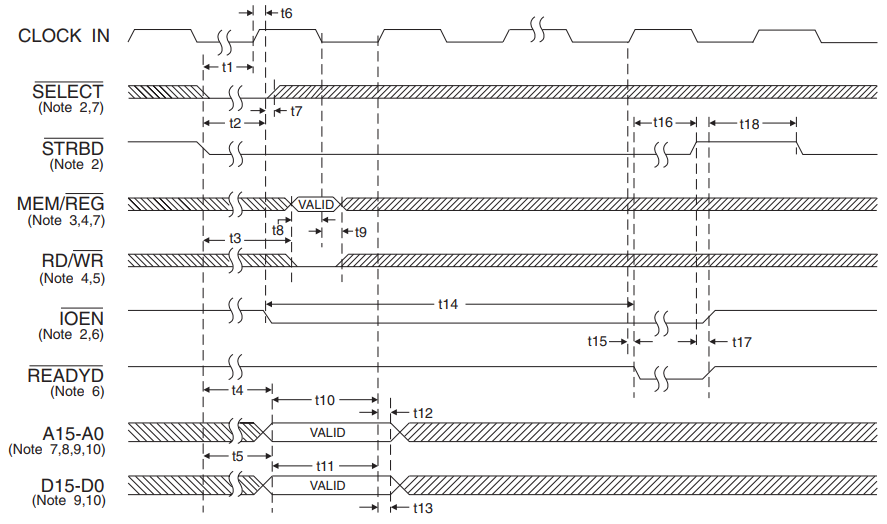
2.2 芯片读写时序


2.3 芯片寄存器
注:BU-61865/BU-61580寄存器详细定义请见《BU-61865_BU6-61580寄存器速查手册》;
2.4 存储器
2.4.1 BC模式下RAM内存结构

2.4.2 RT模式下RAM内存结构

3 BC模式
3.1 BC初始化流程

3.2 BC发送流程

3.3 BC发送示例
3.3.1 BC->RT
3.3.1.1 配置数据

3.3.1.2 波形

3.3.2 RT->BC
3.3.2.1 配置数据

3.3.1.2 波形

3.3.3 RT->RT
待补充......
5 MT模式
待补充......
6 参考文献
《BU61865 Datasheet》-DDC
《BU61580 Datasheet》-DDC
《MIL-STD-1553 Designer’s Guide》-DDC
《Enhanced Miniature Advanced Communications Engine Users Guide MN-6186X-001 Volume 1 - Architectural Reference》-DDC
《Enhanced Miniature Advanced Communications Engine User's Guide Volume 2 - Hardware Reference》-DDC
《1553B总线技术应用与开发》-科学出版社:中国电子技术集团公司第五十八研究所